
侧装式磁翻板液位计用于低温到高温,真空到高压等各种环境,是石油、化工等工业部门的理想液位测量产品。根据在容器中安装位置的不同,提供侧装和顶装两种形式。根据工作介质不同,提供不锈钢和ABS、PP-R工程塑料三种材质,其中ABS、PP-R材质适用于酸、碱等腐蚀性介质。
侧装式磁翻板液位计的详细资料:
1、以浮子为测量元件,磁钢驱动翻柱显示,无需能源。
2、配上下限开关输出,可实现远距报警,限位控制。
3、配变送器可实现液位远距报指示,检测与控制。

|
|
|
|
1、基本型
根据浮力原理,浮子在测量管内随液位的升降而上、下移动,浮子内的磁钢通过耦合作用,驱动红、白色翻柱翻转180°,液位上升时翻柱由白色转为红色,下降时由红色转为白色,从而实现液位指示。
2、电远传
在浮子液位计上安装变送器,通过浮子上下移动,经磁耦合作用使导杆内测量元件依次动作,获得电阻信号变化,转换成0~10mA或4~20mA的标准信号输出,与显示仪表或计算机连接,达到远传目的。
3、上下限开关输出
在液位计立管上由用户设定上、下限位置安装控制器,控制器内带有自保持作用的舌簧开关,利用磁性浮子随液位移动使簧片开关动作时,实现报警或限位控制。
|
|
|
|
|
|
|
系统构成及接线
1、上下限开关输出
由具有自保持作用的舌簧开关和转换器组成,舌簧开关和转换器分别安装于现场和控制室,由转换器提供三对触点开关。
2、电远传
由测量单元和变送单元两部分组成。
3、本安防爆
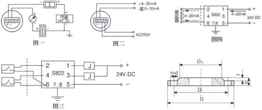
a 带本安防爆,上、下限开关输出型
防爆开关由舌簧开关和带继电器触点的安全栅组成,可向用户直接提供一对常开或常闭触点。如用户需更多触点可特殊设计订货。(图三)
b 带本安防爆远传型
适合使用于∏类电气设备(工厂用)、C级气体,高表面温度组别T4(135℃)。(图四)
c 使用注意事项
①变送器外壳设有外接地,用户使用时须可靠接地。
②安全栅的使用应遵守有关使用说明内容。
③变送器与安全栅本安端的连接电缆为二芯屏蔽电缆,芯线截面积>0.5m,电缆允许分布电容为0.8μF。
|
|
|
|
|
|
用户自备法兰 |
|
安装形式 |
主体材质 |
公称直径 |
公称压力 |
D |
D1 |
D2 |
n |
d |
f |
b |
|
侧装 |
不锈钢 |
20 |
4.0 |
105 |
75 |
56 |
4 |
14 |
2 |
16 |
|
ABS |
20 |
10 |
105 |
75 |
56 |
4 |
14 |
2 |
16 |
|
顶装 |
不锈钢 |
200 |
2.5 |
360 |
310 |
274 |
12 |
26 |
3 |
32 |
|
ABS |
200 |
0.6 |
320 |
280 |
274 |
8 |
8 |
3 |
32 |
|
|
主要技术指标 |
|
安装形式内容 |
侧装式 |
顶装式 |
安装间距
(测量范围) |
不锈钢 |
500~5000(mm) |
500-2500(mm) |
|
ABS、PP-R |
500~4000(mm) |
|
工作压力 |
0.6,1.6,2.5,4.0MPa |
0.6,1.6,2.5MPa |
|
介质密度 |
>0。6g/c |
>0.76g/c |
|
法兰连接 |
不锈钢 |
法兰20-40(DN20 PN1.0-4.0)
(GB9119-88)
|
法兰200-25(DN200 PN1.6)
(GB9119-88) |
|
ABS |
法兰20-10(DN20 PN1.0)
(GB9119-88)
|
法兰200-6(DN200 PN0.6)
(GB9119-88) |
|
主体材料 |
ICr18Ni9Ti、ABS、PP-R(工作压力0.6MPa) |
|
介质温度 |
-40~100℃(ABS、PP-R:-40~80℃) |
|
环境温度 |
-40~+70℃ |
|
示值误差 |
±100mm |
|
介质粘度 |
≤1st(10-4 /s) |
上、下限
开关输出 |
1、控制灵敏度:10mm
2、输出接点容量:AC220V 2A
3、接点寿命:5×104次
4、防爆特征:iaIICT4本质安全型 |
电远传、
连续显示 |
1、精度:±1.5%
2、输出负载:750Ω
3、输出信号:0~10mA输出,220V AC电源
4~20mA输出,24V DC二线制
4、防爆特征:iaIICT4本质安全型 |
|
型号说明
|
|
UHZ翻柱式磁浮子液位计 |
|
|
1 侧装式
2 顶装式 |
安装方式 |
|
|
1 1Cr18Ni9Ti
2 ABS
3 PP-R |
主体材质 |
|
|
1 0.6MPa
2 1.6MPa
3 2.5MPa
4 4.0Mpa |
公称压力 |
|
|
1 基本型
2 带上下限开关输出
3 带电远传(0~10mA输出,220V,AC)
4 带电远传(4~20mA输出,24V,DC)
5 带本安防爆型(4~20mA,24V,DC)
6 带本安防爆型上下限开关输出 |
类型 |
|
|
L 安装间距(测量范围) |
|
|
|
L1 安装深度(顶装式(0~4000mm任选) |
|
|
|
介质密度ρ(g/c ) |
|
|
|
|
|
|
2 |
2 |
1 |
1 |
=2500mm |
L1=3000mm |
ρ=0.8g/c |
|
|

