
一、概述
耐振电接点压力表是根据使用工况的不同要求,在普通型磁助电接点压力表的基础上,了具有耐振、耐腐、氨用、耐蚀耐振及带有隔膜隔离器等功能的多种类型的产品。广泛应用于石油、化工、电站、冶金等工业部门,在环境较为恶劣和有耐腐要求的场合中测量无爆炸危险的各种流体介质的压力。仪表经与相应的电气器件配套使用,可达到对被测压力系统实现自动控制和发信(报警)的目的。
二、型号命名
三、主要技术指标及功能
|
类型 |
型号 |
名称 |
标度范围 |
精确度等级 |
接头螺纹 |
||
|
指示 |
设定值 |
||||||
|
接通 |
断开 |
||||||
|
抗振型 |
YNXC-100 |
磁助电接点 压力表 |
0~0.6至60 |
1.5 |
1.5 |
5 |
|
注: 1.隔膜式的软尾长度为 1、2、3、4M (其中2米为优选长度)
四、接点装置电气参数及控制形式
|
触头功率 |
高工作电压 |
zui大工作电流 |
控制形式 |
|
30VA(阻性负载) |
220V D.C或380V A.C |
1A |
上下限、双上限、双下限 |
注:当电流为1A时,工作电压应低于40V
五、使用环境条件
|
类 型 |
工作温度范围 |
相对湿度 |
抗工作振动性能 |
|
|
-25~55℃ |
不大于90% |
|
|
抗振型、耐蚀抗振型 |
V.H.4级 |
||
|
隔离式其它型 |
150℃以下 |
V.H.4级 |
|
|
-25~55℃ |
六、结构原理
仪表由测量系统、指示装置、磁助电接点装置、外壳、调整装置和接线盒(插头座)等组成。
仪表的工作原理是基于测量系统中的弹簧管在被测介质的压力作用下,迫使弹簧管之末端产生相应的弹性变形——位移,借助拉杆经齿轮传动机构的传动并予放大,由固定于齿轮轴上的指示指针(连同触头)逐将被测值在度盘上指示出来。与此同时,当其与设定指针上的触头(上限或下限)相接触(动断或动合)的瞬时,致使控制系统中的电路得以断开或接通,以达到自动控制和发信报警的目的。
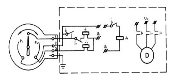
七、电气线路连接线路图

八、外形尺寸
![]() YXC-150、YXCA-150 YXC-153 |
使用与订货须知
- 仪表工作环境应无腐蚀性气体。 订货说明名称、型号及测量上限 。







